- 天祥TX3351-DP差压变送器
详细信息
品牌:天祥 型号:TX3351-DP 加工定制:是 测量介质:用于测量液体、气体或蒸汽的液位 测量范围:0-400Pa~40kPa kPa 输出信号:4~20mADC mA 电源电压:±0.001% /10V (12~42V DC) V TX3351-DP差压变送器 TX3351-DP差压变送器用于测量液体、气体或蒸汽的液位、密度、压力、以及流量,然后将其转变成4~20mADC HART电流信号输出。TX3351-DP也可与RST375手持终端或RSM100 Modem 相互通信,进行参数设定、过程监控等。
标准规格
(以标准零点为基准调校量程,不锈钢 316L膜片,填充液为硅油)
1性能规格
调量程的参考精度
(包括从零点开始的线性、回差和重复性)± 0.075%
若TD>10 (TD=*大量程/调节量程)则为:±(0.0075×TD)%
平方根输出精度为以上线性参考精度的1.5倍
环境温度影响量程代码 -20℃~65℃总影响量 A ±(0.45×TD+0.25)%×Span B ±(0.30×TD+0.20)%×Span C/D/E ±(0.20×TD+0.10)%×Span 量程代码 -40℃~-20℃和65℃~85℃总影响量 A ±(0.45×TD+0.25)%×Span B ±(0.30×TD+0.20)%×Span C/D/E ±(0.20×TD+0.10)%×Span
过范围影响:±0.075%×Span
静压影响
过压影响量程代码 影响量 A ±(0.15%URL+0.10%Span)/4MPa B ±(0.10%URL+0.075%Span)/16MPa C/D/E ±(0.05%URL+0.05%Span)/16MPa 量程代码 影响量 A ±0.2%×Span/4MPa B ±0.2%×Span/16MPa C/D/E ±0.1%×Span/16MPa
长期稳定性量程代码 影响量 A ±0.5%×Span/1年 B ±0.2%×Span/1年 C/D/E ±0.1%×Span/1年
电源影响: ±0.001% /10V (12~42V DC),可忽略不计。
2功能规格
量程限
在量程的上下限范围内,可以任意调整。
建议选择量程比尽可能低的量程代码,以优化性能特征。
零点设置
零点和量程可以调节到表中测量范围内的任何值,只要:标定量程≥*小量程
安装位置影响
与膜片面平行方向的安装位置变化不会造成零漂影响,若安装位置与膜片面超过90°的变化,会发生<0.4kPa范围内的零位影响,可以通过调节调零校正。无量程影响。
输出
2线制,4~20mADC,可选HART输出数字通讯,可选择线性或平方根输出。
输出信号极限:Imin=3.9mA,Imax=20.5mA
报警电流
低报模式(*小):3.7 mA
高报模式(*大):21 mA
不报模式(保持):保持故障前的有效电流值
报警电流标准设置:高报模式
响应时间
放大器部件阻尼常数为0.1s;传感器时间常数为0.1~1.6s,取决于量程及量程比。附加的可调时间常数为:0.1~60s。
对非线性输出(如平方根功能)的影响取决于该功能,并可据此计算。
预热时间:< 15s
环境温度
-40~85℃
带液晶显示、氟橡胶密封圈时 -20~65℃
储存温度/运输温度
-50~85℃;带液晶显示时:-40~85℃
工作压力
额定工作压力分为:16MPa、25MPa、40MPa三档
静压极限
从3.5kPa绝对压力至额定压力,保护压力可大于额定压力的1.5倍,同时加于变送器两侧。
单向过载极限:单向过载可达额定压力
电磁兼容性(EMC)
见下页《电磁兼容性附表》
3安装
电源及负载条件
电源电压为24V,R≤(Us-12V)/Imax kΩ
其中 Imax=23 mA
*大电源电压:42VDC
*小电源电压:12VDC,15VDC(背光液晶显示)
数字通讯负载范围: 250~600Ω
电气连接
M20X1.5电缆密封扣,接线端子适用于0.5~2.5mm2的导线。
过程连接
过程连接法兰的两端面有NPT 1/4 和UNF 7/16``内螺纹。
4物理规格
材质
测量膜盒:不锈钢 316L
膜片: 不锈钢 316L、哈氏合金C
过程法兰:不锈钢 304
螺母及螺栓:不锈钢(A4)
填充液: 硅油
密封圈: 丁腈橡胶(NBR)、氟橡胶(FKM)、
聚四氟乙烯(PTFE)
变送器外壳:铝合金材质,外表喷涂环氧树脂
外壳密封圈:丁腈橡胶(NBR)
铭牌: 不锈钢 304
重量:3.3kg(无:液晶显示、安装支架、过程连接)
外壳防护等级:IP67
电磁兼容性附表
注:(1)A性能等级说明:测试时,在技术规范极限内性能正常。序号 测试项目 基本标准 测试条件 性能等级 1 辐射干扰(外壳) GB/T 9254-2008表5 30MHz~1000MHz 合格 2 传导干扰
(直流电源端口)GB/T 9254-2008表1 0.15MHz~30MHz 合格 3 静电放电(ESD)抗扰度 GB/T 17626.2-2006 4kV(触点)
8kV(空气)B 4 射频电磁场抗扰度 GB/T 17626.3-2006 10V/m (80MHz~1GHz) A 5 工频磁场抗扰度 GB/T 17626.8-2006 30A/m A 6 电快速瞬变脉冲群抗扰度 GB/T 17626.4-2008 2kV(5/50ns,5kHz) B 7 浪涌抗扰度 GB/T 17626.5-2008 1kV(线线之间)
2kV(线地之间)(1.2us/50us)B 8 射频场感应的传导干扰抗扰度 GB/T 17626.6-2008 3V (150KHz~80MHz) A
(2)B性能等级说明:测试时,功能或性能暂时降低或丧失,但能自行恢复,实际运行状况、存储及其数据不改变。
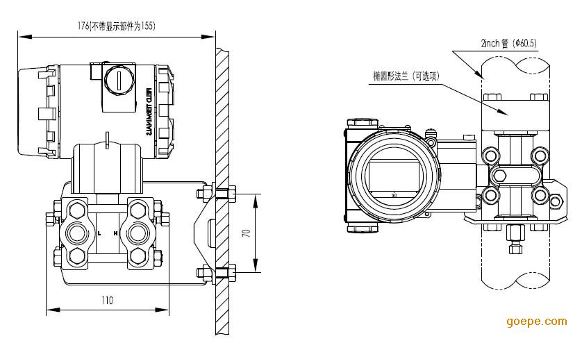
外形尺寸 单位(mm)
水平配管连接方式(侧面) 水平配管连接方式(正面)
墙装连接方式 垂直配管连接方式 5 电气连接图
注:快捷接口功能等同于信号端子。
6 过程连接说明 7型号和规格代码表
注:1.所有非标选项以X做选型,并在X后加括号详细参数以备注为准差压变送器选型 TX3351- 传感器类型 DP 差压传感器 精度 输出 A 基本误差±0.05% 4-20mA带HART通讯 B 基本误差±0.075% 4-20mA带HART通讯 量程 A 0-100Pa~1kPa(0-10~100 mmH2O)/(0-1~10mbar)精度请在询价时确认 B 0-200Pa~6kPa(0-20~600 mmH2O)/(0-2~60mbar) C 0-400Pa~40kPa(0-40~4000 mmH2O)/(0-20~400mbar) D 0-2.5kPa~250kPa(0-0.25~25 mH2O)/(0-25~2500mbar) F 0-30kPa~3MPa(0-3~300 mH2O)/(0-0.3~30bar) 静压芯片 0 无 1 40MPa静压芯片(A量程选用) 膜片材质 填充液 A 不锈钢 316L 硅油 B 不锈钢 316L 氟油 C 哈氏合金C 硅油 D 哈氏合金C 氟油 E 不锈钢316L 镀金 硅油 F 不锈钢316L 镀金 氟油 G 不锈钢316L 涂FEP 硅油 T 钽 硅油 额定工作压力 0 额定工作压力0.2MPa(仅适用A量程) 7 额定工作压力7MPa (仅适用A量程) 1 16MPa 2 25MPa 3 40MPa 过程连接 N 1/4英寸NPT及7/16英寸UNF螺纹孔 无泄放阀 B 1/4英寸NPT及7/16英寸UNF螺纹孔 泄放阀装于法兰后部端面 U 1/4英寸NPT及7/16英寸UNF螺纹孔 泄放阀装于法兰侧面上部 D 1/4英寸NPT及7/16英寸UNF螺纹孔 泄放阀装于法兰侧面下部 接液密封材质 N 丁腈橡胶(NBR) F 氟橡胶(FKM) P 聚四氟乙烯(PTFE) 特殊功能 N 无 F 平方根输出 P 防雷击功能 O 禁油处理(氧气测量限氟油填充液、氟橡胶密封圈、<6MPa、<60℃) 安装支架 N 无 1 不锈钢 2 碳钢镀锌 过程连接附件 N 无 1 1/2 英寸NPT内螺纹不锈钢椭圆形法兰 2 M20x1.5 外螺纹不锈钢丁字形接头 液晶显示 N 无 2 LED背光液晶显示(-20℃) 3 OLED显示(-40℃) 防爆选项 N 基本型 A 本安型,NEPSI D 隔爆型,NEPSI (不含隔爆电缆接头) 位号标牌 N 无 1 位号标于铭牌内 2 悬挂式不锈钢标牌 使用说明 C 中文 E 英文 附加选项 S 不锈钢表壳 V 低电压版 电气接口 不选 M20*1.5内螺纹(常规) 1D NPT1/2内螺纹 举例:
TX3351-DPBC0A1NNNN1NA1C
TX3351差压变送器,差压传感器,±0.075%精度,0-1Kpa,膜片不锈钢316L充硅油,额定工作压力16Mpa,过程连接附件1/2英寸NPT内螺纹不锈钢椭圆形法兰,LED背光液晶显示,防爆本安型,位号标于铭牌内,中文
-



















