- 天祥2088型压力变送器/压力传感器
详细信息
品牌:天祥 型号:2088型 加工定制:是 测量介质:与不锈钢兼容的各种介质 测量范围:-100kPa、0~10kPa、160MPa kPa 精度等级:0.1、0.2、0.5级可选 电源电压:12-30VDC V 2088型压力变送器
一、概述
TXY通用型2088压力变送器采用316L材质扩散硅压力芯体(常规)作为敏感元件,内置处理电路,经过计算机自动测试,并用激光调阻工艺进行了宽温度和灵敏度补偿,将传感器毫伏信号转换成标准电压﹑电流、485输出,可直接与计算机、控制仪表﹑显示仪表等相连。
选用高稳定性和高可靠性的压阻式压力传感器和高性能的变送器专用电路,整体性能稳定可靠,可进行远距离信号传输。采用工业型防爆壳体,数字化补偿电路,显示输出稳定。
二、特点
●外壳防护等级IP65
●316L不锈钢隔离膜片结构
●高精度、全不锈钢结构
●数字压力显示,LED/LCD可选
●抗干扰强、长期稳定性好
●形式结构多样化,安装使用方便
●量程范围宽,可测量表压、绝压
●抗振动、抗冲击
三、适用范围
压力变送器是工业实践中用到的一种传感器,其广泛应用于各种工业自控环境,涉及水利水电、铁路交通、智能建筑、生产自控、航空航天、军工、石化、油井、电力、船舶、机床、管道等众多行业
四、性能参数
量程范围 -100kPa…0~10kPa…160MPa 压力类型 表压、绝压 供电电源 12-30VDC 输出信号 4~20mA、485、4~20mA+hart 工作温度 -40℃~85℃ 介质温度 -40℃~85℃ 储存温度 -40℃~100℃ 零点温漂 ±0.1%FS(-20℃~85℃) 灵敏度温漂 ±0.1%FS(-20℃~85℃) 过载压力 150%FS 机械振动 20g(20~5000HZ) 冲击 100g(11ms) 综合精度 0.1、0.2、0.5级可选 绝 缘 100MΩ/250VDC 响应时间 ≤1ms(上升到90%FS) 长期稳定性 ±0.1%FS/年 EMC浪涌 (IEC61000-4-5)2KV EMC静电 (IEC61000-4-2)接触放电8KV,空气放电15KV 防护等级 IP65 防爆等级 本安防爆ExiaⅡCT6 / 隔爆防爆ExdⅡCT6 材质 外壳铝/不锈钢;隔离膜片316L 介质兼容 与不锈钢兼容的各种介质
五、选型表
2088型压力变送器
TXY□-□□□□/□□□□□□传感器类型 S-G 扩散硅表压(常规) S-A 扩散硅绝压(常规) S-P 蓝宝石表压(耐高温耐低温) S-L 蓝宝石绝压(耐高温耐低温) S-B 单晶硅表压(高精度0.1级) S-J 单晶硅绝压(高精度0.1级) S-Y 应变片表压(高压/粘度高场所) 过程接口 00 M20*1.5 01 NPT1/2 02 NPT1/4 03 G1/2 04 G1/4 07 M14*1.5 输出信号 2 模拟量4-20mA(两线制) 6 485通讯 9 模拟量4-20mA(两线制)+Hart通讯 外壳类型 X 2088躯壳配常规接头 Y 2088躯壳配高温接头(*高200℃蒸汽) Z 2088躯壳配卡箍接头(φ50.5) 现场显示 N 无显示表头 A 带数码管(LED)显示表头 Y 带液晶屏(LCD)显示表头 精度等级 1 0.1级 2 0.2级 3 0.5级 特殊要求(多选项) 无 无特殊要求 i 本安防爆ExiaIICT6 d 隔爆防爆ExdIICT6 Q 齐平膜传感器 L 316L材质接头(不选为304材质接头) A 管装附件(安装支架) Q2 铠装电缆防爆格兰头(304材质) D4 电气接口NPT1/2内螺纹(不选为常规M20*1.5内) Y 全英文铭牌 E 中英文铭牌 Z 中性铭牌 F 径向不锈钢外壳(不选为压铸铝外壳) G 轴向不锈钢外壳(不选为压铸铝外壳) 量程 参见量程选型详表 选型举例:TXYS-G002/XY2i16
2088型压力变送器,表压,接口螺纹M20*1.5,输出两线制4-20ma电流信号,带液晶屏显示表头,精度
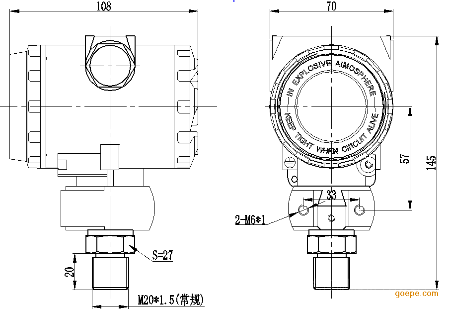
等级0.2级,本安防爆型,量程为0-40Mpa量程选型详表 编码 量程 编码 量程 编码 量程 编码 量程 编码 量程 27 0-10Kpa 01 0-35Kpa 02 0-70Kpa 03 0-100Kpa 05 0-350Kpa 47 0-0.6Mpa 25 0-0.5Mpa 26 0-1.6Mpa 42 -0.1-1.6Mpa 22 0-2.5Mpa 23 0-4Mpa 20 0-6Mpa 58 0-8Mpa 11 0-10Mpa 38 0-16Mpa 13 0-25Mpa 14 0-35MPa 16 0-40Mpa 92 0-50Mpa 17 0-60Mpa 特殊量程可定制 - 尺寸图
- 接线图
-


















