- 天祥YWK-18D型压力控制器
详细信息
品牌:天祥 型号:YWK-18D 加工定制:是 类型:机械 测量范围:2.4~24MPa YWK-18D型压力控制器
概述
YWK-18D型压力控制器使用膜片式传感器,耐高压,使用寿命长,结构紧凑,外壳采用不锈钢材料制成,坚固而耐用。同时由于采用特殊传感器,YWK-18D型控制器解决了目前市场上活塞式压力控制器的漏油问题。
主要技术性能工作粘度 <1×10-3m2/s 开关元件 微动开关 环境温度 -25℃~55℃ 介质温度 0℃~80℃ 外壳防护等级 IP65 安装位置 压力接口垂直向下(允许倾斜15℃) 抗振性能 Max 100m/s2 重复性误差 ≤2% 使用寿命 1×105次 触点容量 AC 220V 6A(阻性)(若有特殊要求,可另行设计)
规格
切换差不可调型号 设定值调节范围 切换差不大于 *大允许压力① 与介质接触材料 接口类型及尺寸 MPa MPa MPa YWK-18D 0.035~0.17 0.03 10 20钢
丁腈橡胶
或
1Cr18Ni9Ti氟橡胶M14×1.5
(外螺纹)YWK-18D 0.1~0.5 0.07 10 YWK-18D 0.35~1 0.14 10 YWK-18D 0.5~4.5 0.40 60 YWK-18D 1.2~12 1.2 60 YWK-18D 1.6~16 1.4 60 YWK-18D 2.4~24 2.8 60 YWK-18D 3.2~32 4.5 60 YWK-18D 4.2~42 4.6 60 备注:①在实际工作中,即使短暂的压力峰值,也不能超过*大允许的压力。
②切换差或接口类型有特殊要求,可另行设计。
控制器的选用和安装说明(详见控制器的选用和安装)
设定值的调整(详见压力控制器设定值的调整例三)
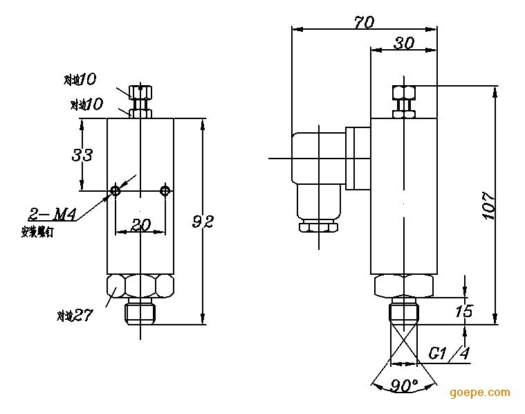
外形尺寸及安装尺寸(单位:mm)
电气接线图
单刀双掷微动开关作用过程:
接线端1-3压力上升至上切换值接通;
接线端1-2压力上升至上切换值断开。
-

















