- 天祥YWK-7DD差压控制器
详细信息
品牌:天祥 型号:YWK-7DD 加工定制:是 类型:机械 测量范围:-25℃~55℃ 适用范围:适用于空气、气体等中性气体和润 YWK-7DD差压控制器
概述
用膜片及活塞结合形成的传感器,能耐较高的静压,适用于空气、气体等中性气体和润滑油、轻燃油等液体介质。控制器的差压设定值可调,调节范围70~300KPa。
控制器结构紧凑小巧,尤为适用于对安装空间要求苛刻的场合。
主要技术性能工作粘度 <1×10-3m2/s 开关元件 微动开关 环境温度 -25℃~55℃ 介质温度 0℃~80℃ 外壳防护等级 IP54 抗振性能 Max100m/s2 重复性误差 ≤2.5% 触点容量 AC 220V 6A(阻性) 安装位置 H(高压腔)接口垂直向下(允许倾斜15°)
特点
超小型设计,开关动作频率高(100次/分钟),抗振性好。
规格
切换差不可调差压设定值调节范围KPa 切换差
不大于
KPa*大允许
工作压力MPa压力传感器材料 接 口
外螺纹外壳 膜片 活塞 70~170 50 3.5 LY12
铝合金丁腈
橡胶钢 M18×1.5
或M16×1.5120~300 80
设定值的调整
在高压(H)接口处输入高压源,在低压(L)接口处输入低压源。
【例】选用差压设定值调节范围为70~170KPa的控制器,要求差压上升至120KPa(上切换值)时,发出报警信号,其操作步骤如下:- 将控制器的高压接口旋入压力校验台,并使开关接线座接上信号源;
- 将压力升至120KPa(此值由标准压力表测得);
- 以M2内六角螺钉扳手调整低压接口内的差压设定值螺母(顺时针方向旋转,差压设定值增大,逆时针方向旋转,差压设定值减少),使其在120KPa附近切换;
- 改变压力值,使压力在120KPa上下来回变化,检验开关触点上切换值是否是120KPa,此时下切换值应是120KPa减去切换差(30KPa左右),等于90KPa(左右);
- 在高压端,低压端同时输入高、低压信号,观察其差压值是否为上切换值120KPa(若用户受调试设备的限制,此步骤可以免做)。
选用和安装- 选用控制器,*好使预定的设定值位于控制器差压设定值调节范围的中间部分,一般为调节范围的20%~80%;
- 控制器若要安装在室外时,应给予足够的防护措施,以免受环境温度的剧烈变化,阳光直接辐射,腐蚀性气体或水的渗入等影响;
- 对有压力峰值及脉冲压力的介质,可安装阻尼器,以消除脉冲干扰;
- 安装压力接口时,应夹持控制器接口的外六角接头处,防止开关壳体与高、低压接头发生松动,影响控制器性能;
- 接地座要可靠接地;
- 高、低压入口不能接反,否则不动作;
- 通断电流不能大于额定值(当触点动作频繁时,*好不要超过额定值的60%)。
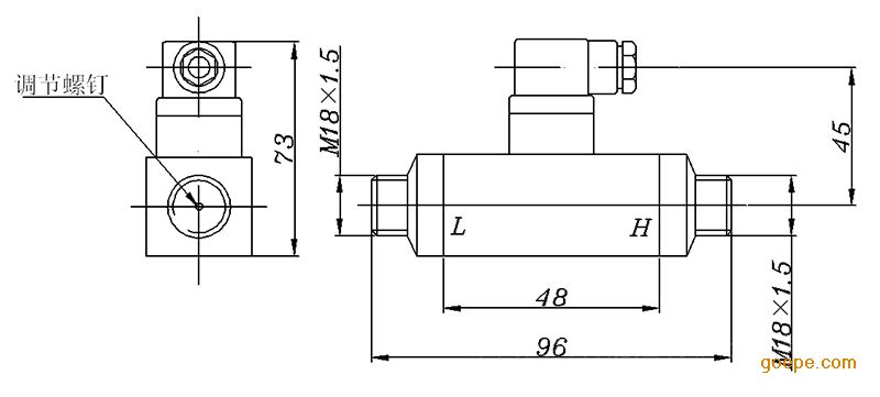
外形尺寸及安装尺寸(单位:mm)
电气接线图
单刀双掷微动开关作用过程:
接线端1-3压力上升至上切换值时接通,
接线端1-2压力上升至上切换值时断开。
-

















